WP -2 メカニカルシールタイプ
WPS-141-60 -2 WPT-141-60 -2 WPS-242-60 -2 WPT-242-60 -2 WPS-441-60 -2 WPT-441-60 -2 WP-141B -2
用途及び特長
●各種機械セット用
●サビをシャットアウト
接液部はすべてステンレスと砲金を使用
●小型軽量
●配管接続はフランジ式
●メカニカルシール及びパッキンはバイトン材質も対応可能
標準品のパッキンはニトリルゴムです。
(一部対応していない場合が御座いますのでお問い合わせください。)
●非自吸式ですので、水源(水槽・タンク)より低い位置にポンプを設置してください。
特性

仕様

展開図

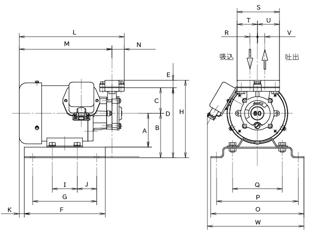
外形寸法図


