CKT メカニカルシールタイプ 安全増防爆型電動機
15CKT0202B 20CKT0402B 20CKT0752B 25CKT0402B 25CKT0752B 15CKT0202E 20CKT0402E 20CKT0752E 25CKT0402E 25CKT0752E
用途及び特長
●各種機械セット用
●接液部はステンレス製
●電動機は安全増防爆型
●自吸能力3m(清水・常温時)
(※吸い上げにてご使用の場合は、フード弁が必要となります。)
●メカニカルシール材質は各種対応
特性

仕様

展開図

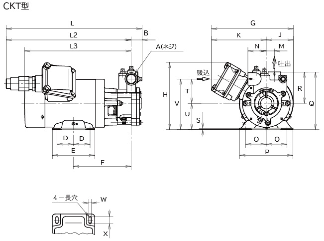
外形寸法図


