PS-A 100V仕様
PS537AH PS545AH PS545AL PS560AH PS560AL
50Hz専用
特長
●ポンプ部はステンレス製で赤錆の心配がありません。
●流量スイッチを標準装備しておりますので、安定した給水が可能です。
●地上部の吐出口が2方向ありますので、現場状況に合わせた配管工事が可能です。
●セラミックヒータとサーモセンサにより、自動的に凍結による破損から守ります。
●各結線部はコネクタ方式ですので、電装部への異物の侵入を防止しトラブルを未然に防ぎます。
(水中ケーブル及び電源接続部は端子台接続です)
用途
●井戸内径100㎜以上の深井戸用水中ポンプです。
●吸い上げ高さ35mまで汲み上げが可能です。
特性

設置例

仕様

展開図

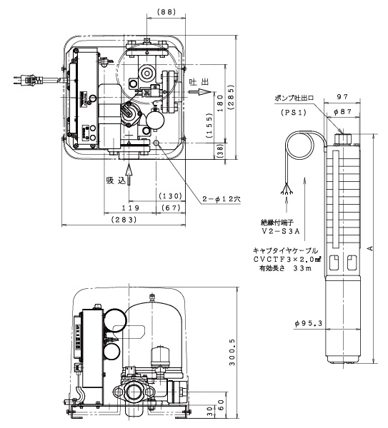
外形寸法図

