AJT メカニカルシールタイプ 全閉外扇型電動機
15AJT0202B 20AJT0402B 20AJT0752B 25AJT0402B 25AJT0752B 15AJT0202E 20AJT0402E 20AJT0752E 25AJT0402E 25AJT0752E
用途及び特長
●各種機械セット用
●接液部はRoHS対応青銅鋳物製
●電動機は全閉外扇型
●自吸能力3m(清水・常温時)
(※吸い上げにてご使用の場合は、フード弁が必要となります。)
●メカニカルシール材質は各種対応
特性

仕様

展開図

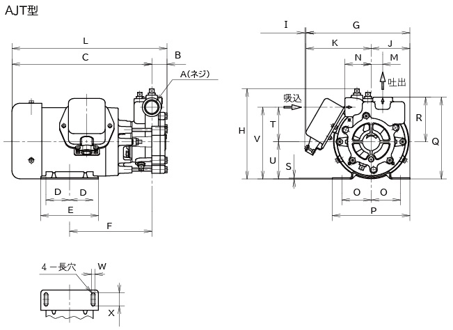
外形寸法図


