CJT メカニカルシールタイプ 全閉外扇型電動機
15CJT0202B 20CJT0402B 20CJT0752B 25CJT0402B 25CJT0752B 15CJT0202E 20CJT0402E 20CJT0752E 25CJT0402E 25CJT0752E
用途及び特長
●各種機械セット用
●接液部はステンレス製
●電動機は全閉外扇型
●自吸能力3m(清水・常温時)
(※吸い上げにてご使用の場合は、フード弁が必要となります。)
●メカニカルシール材質は各種対応
特性

仕様

展開図

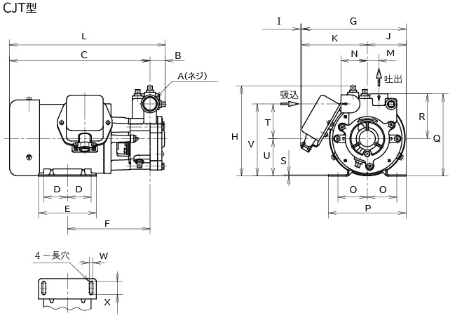
外形寸法図


