AKT メカニカルシールタイプ 安全増防爆型電動機
15AKT0202B 20AKT0402B 20AKT0752B 25AKT0402B 25AKT0752B 15AKT0202E 20AKT0402E 20AKT0752E 25AKT0402E 25AKT0752E
用途及び特長
●各種機械セット用
●接液部はRoHS対応青銅鋳物製
●電動機は安全増防爆型
●自吸能力3m(清水・常温時)
(※吸い上げにてご使用の場合は、フード弁が必要となります。)
●メカニカルシール材質は各種対応
特性

仕様

展開図

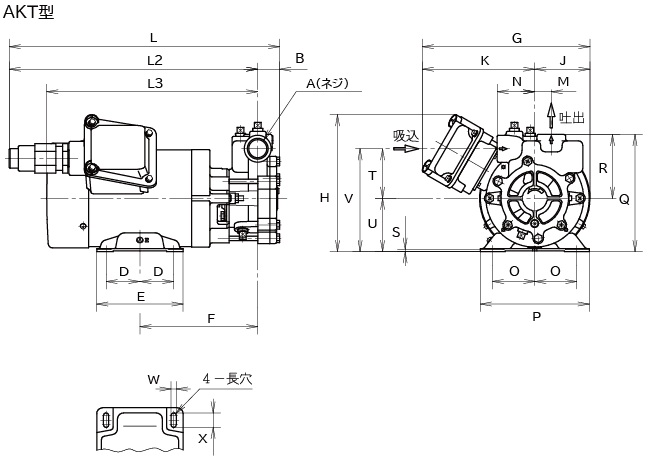
外形寸法図


