JPS・JPT圧力スイッチ運転タイプ
JPS-257-50 JPS-407-50 JPT-407-50
50Hz専用 JPS=100V用 JPT=200V用
特長
●全閉外扇型モータを採用
塩害や湿気などによるモータの耐久性・信頼性が向上しました。
● 吐出し口が2方向に増えましたので、設置場所により選択できます。
●プロテクタ付き
過電流により電動機が焼損することを防ぎます。
●凍結破損保護
凍結破損防止用ヒータがポンプ及び圧力タンク下に取り付けてあります。
作動温度 入 5℃前後 切 15℃前後
●JPS型(100V用)は、滅菌器の接続が可能です。
用途
●吸上げ高さ6m~30mまでの深井戸用ジェットポンプです。
●井戸内径が 100 ㎜以上の井戸でご使用下さい。
●吸上げ高さによりポンプ型式とジェット部型式を正しく選定しご使用下さい。
ご注意
※従来型 JPS-256 / JPS-406 / JPT-406 型とは取付位置は異なります。
特性

仕様

展開図

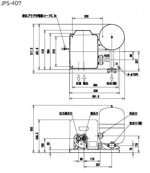
外形寸法図


