CT メカニカルシールタイプ
25CT502 25CT602 40CT504 40CT604 40CT508 40CT608 50CT515 50CT615 65CT522 65CT622
特長
●軸及びインペラは耐食性に優れたステンレスを採用
●屋外設置が可能な保護カバー付き(周囲温度0~40℃、湿度85%以下)
●モータの焼損を保護するプロテクタ付き
●センターハイトが低く、クーリングタワーへの配置が容易(2.2kw用)
用途
●クーリングタワー(3t~40t)の循環
●各種機械セット用
特性

仕様

展開図

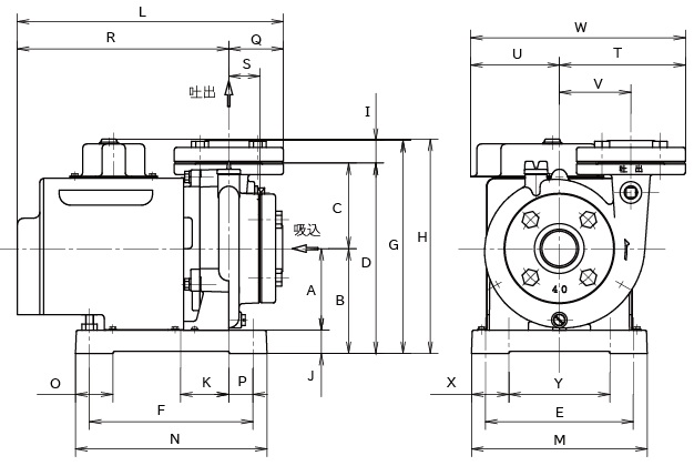
外形寸法図


