JPT
JPT-1003-50
50=50Hz用 JPT=200V用
特長
●全閉外扇型モータを採用
塩害や湿気などによるモータの耐久性・信頼性が向上しました。
●プロテクタ付き
過電流により電動機が焼損することを防ぎます。
用途
●吸上げ高さ12m~35mまでの深井戸用ジェットポンプです。
●井戸内径が100㎜以上の井戸でご使用下さい。
●吸上げ高さによりポンプ型式とジェット部型式を正しく選定し別途圧力タンクもお取付け下さい。
●JPT-1003を自動運転でご使用する場合は、圧力タンクと2点切圧力スイッチをお取付け下さい。
(2接点式AC250V 15A以上) (ON 0.14MPa OFF 0.27Mpa)
特性

仕様

展開図


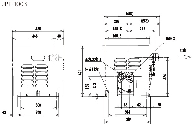
外形寸法図

