PWHGメカニカルシールタイプ

RoHS対応品

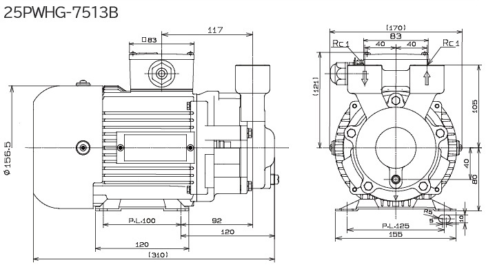
15PWHG-2021B 25PWHG-7513B

A=50Hz用 B=60Hz用 (Bは50Hz/60Hz共用使用可)

特長

●カスケード方式採用により高揚程を実現。

●接液部は砲金製のため、ポンプから錆の発生がありません。

用途

●循環用、各種機器組込み用、小流量・高揚程を求められる用途に。

特性

仕様

展開図

外形寸法図