PSPX
RoHS対応品
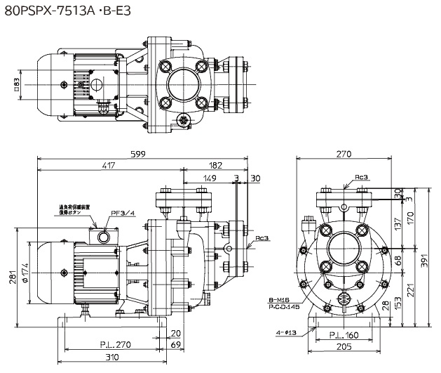
80PSPX-7513A-E3 80PSPX-7513B-E3
A=50Hz用 B=60Hz用
特長
●大流量で省エネ
1.5kWクラスの流量を750Wのモータで、 送水する事が出来ます。養殖用水槽の循環など、低揚程で大流量を必要とする場合などに、消費電力を大幅に低減できますので、ランニングコスト(電気代)の削減が期待されます。
●漏電の心配なし(水中式に対して)
陸上設置のため、水中ポンプと比較して、漏電時に水中に影響を与える可能性が低いです。
●長寿命、高信頼性(海水対応)
接水部には樹脂を多用し、耐食性に優れています。羽根車にステンレス材(SCS16)を使用し、錆にくく、長寿命です。sic×sicのメカニカルシールを採用していますので、水漏れの心配を軽減し、高い信頼性を実現しています。
●高メンテナンス性
メカニカルシール交換のための羽根車付け外しの際、シャフトを固定し易い構造であるため、メンテナンス性の向上を実現しています。全ての機種に全閉外扇屋外型モータを採用。また、端子箱のケーブル差込口には防水ブッシュを標準装備により、多湿な環境や粉塵の多い場所などでの、設置が可能です。
用途
●海水の取水・循環
●設備の給水・排水(清水)
●陸上養殖
閉鎖循環方式、半閉鎖循環方式、かけ流し方式などの水槽への給水、循環、ろ過に最適です。
●水槽のろ過・循環
特性

仕様

部品展開図

外形寸法図

