PSPZメカニカルシールタイプ
RoHS対応品
25PSPZ-2031A・B 25PSPZ-2033A・B 40PSPZ-4031A・B 40PSPZ-4033A・B 40PSPZ-7533A・B-E3
A=50Hz用 B=60Hz用(Bは50Hz/60Hz共用 使用可)
特長
●超低騒音
ポンプ内の構造を改良することにより、全ての新シリーズにおいて当社従来品より最大15dB(A)低減という超低騒音を実現。
※10dB(A)低減すると、実際聞こえる音(SONE)が半分になります。
●高効率
モータとポンプの一体最適化設計により、当社従来品よりポンプ効率が最大47%向上という高効率を実現し、消費電力を最大56%低減しました。
●長寿命 ・高信頼性
接水部には耐食性に優れた材質を用い、軸封部を改良する事により、メカニカルシールの信頼性を高め、水モレの心配を軽減した事により、長寿命化を実現しています。
●高メンテナンス性
メカニカルシール交換のための羽根車付け外しの際、シャフトを固定し易い構造であるため、メンテナンス性の向上を実現しました。全ての機種に全閉外扇屋外型モータを採用。 また端子箱のケーブル差込口には防水ブッシュを標準装備により多湿な環境や粉塵の多い場所などの設置が可能。
特性

仕様
■50Hz

■60Hz

展開図

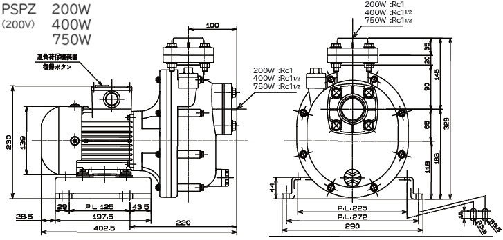
外形寸法図


